I have forgotten
my Password

Or login with:

  • Facebookhttp://facebook.com/
  • Googlehttps://www.google.com/accounts/o8/id
  • Yahoohttps://me.yahoo.com

Materials

Sub levels below this category:


Curved Beams

An analysis of stresses and strains in curved beams
IconIconIconIconIconIconIcon

Springs

An analysis of the common types of engineering springs.
IconIconIconIconIconIconIcon

Struts

An analysis of Struts using the EULER Formula.
IconIconIconIconIconIcon

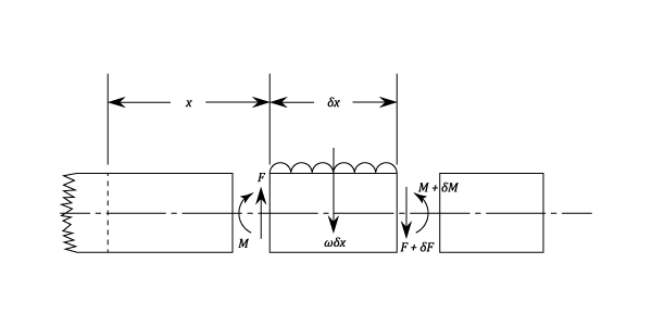
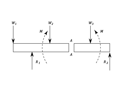
Shear Force and Bending Moment

An introduction to Shear Force and Bending Moments in Beams.
IconIconIconIconIconIconIcon

Shear Stress

An introduction Shear Stress, Modulus of Rigidity and Strain Energy.
IconIconIconIconIcon

Direct Stress and Strain

Intoduction to terms used in "Materials" and the concepts of Direct Stress and Strain
IconIcon

Direct Stress

Resilience and Direct Stress in bars, both composite and of varying cross section.
IconIcon

Compound Stress and Strain part 1

The results of both tensile and shear stress acting together.
IconIconIconIconIconIconIconIconIconIconIconIcon

Compound Stress and Strain Part 2

A description of Mohr's Stress and Strain Circles, two and three dimensional Stress and Strain systems, and Strain Energy.
IconIconIconIconIconIconIconIconIcon

Elastic Constants

Describes the realtionship between the Elastic Constants, and introduces Bulk Modulus and Young's Modulus.
IconIconIcon

Plastic Theory of Bending

Describes Bending above the yield Stress for elastic materials (Mild Steel).
IconIconIconIconIconIconIconIcon

Thick Walled cylinders and Spheres

Analysis of the Stress and Strain in thick walled cylinders, Plastic Yielding and compound Tubes.
IconIconIconIconIcon

Rotating Discs and Cylinders

The Stresses and Strains generated in a rotating disc or cylinder.
IconIconIconIconIcon

Circular Plates

Stresses and Strains in loaded Circular Plates and Rings.
IconIconIconIcon

Notations

A list of the symbols used in our Engineering Materials pages.
Icon