HOME
LIBRARY
PRODUCTS
FORUMS
CART
Tel:
+44 (0) 20 7193 9303
Email Us
Join CodeCogs
Login
Email or Screen Name
Password
Login
I have forgotten
my Password
Or login with:
http://facebook.com/
https://www.google.com/accounts/o8/id
https://me.yahoo.com
COMPUTING
MATHS
STATISTICS
ENGINEERING
AERODYNAMICS
FLUID MECHANICS
CHANNEL FLOW
FLOATING BODIES
FLUID MASSES
FUNDAMENTALS
MACHINES
PUMPS
Centrifugal Pumps
Principles of Similarity
Pump and Turbine Cavitation
Single stage Centrifugal Pumps
Types
TURBINES
NOTCHES
ORIFICE
PIPES
WATER PRESSURE
WAVES
WEIRS
GEOTECHNICS
MATERIALS
MECHANICS
METALLURGY
OSCILLATIONS
STRUCTURES
THEORY OF MACHINES
THERMODYNAMICS
FINANCE
UNITS
STRINGS
PHYSICS
New Modules
Updated Modules
Engineering
›
Fluid_mechanics
›
Machines
›
Pumps
Centrifugal Pumps
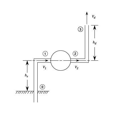
Velocity triangles, Manometric Head and Efficiency
Single stage Centrifugal Pumps
This section examines the Construction of Velocity Triagles and their use in the establishment of Manometric Head and Efficiency
Types
Types of fluid pumps
Pump and Turbine Cavitation
The cavitation within pumps and turbines