I have forgotten
my Password

Or login with:

  • Facebookhttp://facebook.com/
  • Googlehttps://www.google.com/accounts/o8/id
  • Yahoohttps://me.yahoo.com

Magnetic Leakage

A brief discussion on magnetic leakage, also introducing the leakage coefficient
+ View version details

Overview

Key facts

In a magnetic circuit, the magnetic leakage can be described using the leakage coefficient, which can be obtained by dividing the sum of the useful and leakage flux, to the useful flux.

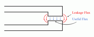
Magnetic leakage can be defined as the passage of magnetic flux outside the path along which it can do useful work. The passage of useful and leakage magnetic fluxes is diagramed in Figure 1.

746/img_em9.png
+
Figure 1

In such conditions, we can define the leakage coefficient as:

It can be noted that in order to overcome the magnetic leakage, the magnetic flux density in the iron should be bigger than the magnetic flux in the gap.

Example:
[metric]
Example - Magnetic flux and flux density of a toroid with an air gap
Problem
Consider a toroid with the mean length of , and the cross section of , which also contains an air gap of length . Calculate the number of ampere-turns () which would give a magnetic flux of , and also calculate the magnetic flux density in the iron, if the leakage coefficient for the gap is .

The curve for iron is given in Figure E1:

746/img_em_graph.png
+
Figure E1
Workings
Given that the cross section of the toroid is (), the magnetic flux density in the gap should be:

As the leakage coefficient of the gap is , we can thus calculate the magnetic flux density in the iron:

From Figure E1, we obtain that the value from (2) corresponds to:

As the mean length of the toroid is (), we thus obtain the required ampere-turns for the iron:

We can write the number of ampere-turns for the air gap as or, furthermore, as . Taking into account that , (from equation 1), and , we get the required ampere-turns for the air gap:

Taking into account (4) and (5), we obtain the total required ampere-turns for the toroid with an air gap:

Solution