HOME
LIBRARY
PRODUCTS
FORUMS
CART
Tel:
+44 (0) 20 7193 9303
Email Us
Join CodeCogs
Login
Email or Screen Name
Password
Login
I have forgotten
my Password
Or login with:
http://facebook.com/
https://www.google.com/accounts/o8/id
https://me.yahoo.com
COMPUTING
MATHS
STATISTICS
ENGINEERING
AERODYNAMICS
FLUID MECHANICS
GEOTECHNICS
MATERIALS
BEAMS
BENDING STRESS
Bending Stress
Moments of Inertia
Moments of Inertia
CYLINDERS AND SPHERES
Circular Plates
Compound Stress and StrainPart 2
Compound Stress and Strain part 1
Curved Beams
Direct Stress
Direct Stress and Strain
Elastic Constants
Notations
Plastic Theory of Bending
Rotating Discs and Cylinders
Shear Force and Bending Moment
Shear Stress
Springs
Struts
Thick Walled cylinders and Spheres
Torsion
MECHANICS
METALLURGY
OSCILLATIONS
STRUCTURES
THEORY OF MACHINES
THERMODYNAMICS
FINANCE
UNITS
STRINGS
PHYSICS
New Modules
Updated Modules
Engineering
›
Materials
›
Bending Stress
Bending Stress
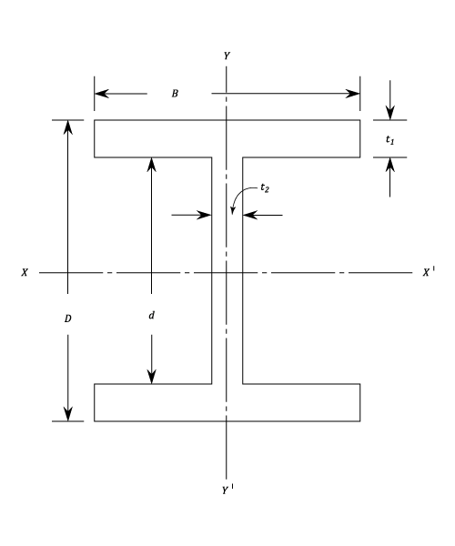
An analysis of the simple theory of bending, including moments of area(inertia).
Moments of Inertia
Determination of Moments of Inertia by both analytical and graphical methods.
Moments of Inertia
Worked examples involving Bending Stess and Moments of Inertia.