HOME
LIBRARY
PRODUCTS
FORUMS
CART
Tel:
+44 (0) 20 7193 9303
Email Us
Join CodeCogs
Login
Email or Screen Name
Password
Login
I have forgotten
my Password
Or login with:
http://facebook.com/
https://www.google.com/accounts/o8/id
https://me.yahoo.com
COMPUTING
MATHS
STATISTICS
ENGINEERING
AERODYNAMICS
FLUID MECHANICS
GEOTECHNICS
MATERIALS
BEAMS
Built in Beams
Built in Beams II
Cantilever Beams
Deflection Coefficients
Elastic Foundations
Macaulay Method
Moments of Area
Multiple Continuous Beams
Portal Frames
Shear Stress in Beams
Simple Supported Beams
Strain Energy
BENDING STRESS
CYLINDERS AND SPHERES
Circular Plates
Compound Stress and StrainPart 2
Compound Stress and Strain part 1
Curved Beams
Direct Stress
Direct Stress and Strain
Elastic Constants
Notations
Plastic Theory of Bending
Rotating Discs and Cylinders
Shear Force and Bending Moment
Shear Stress
Springs
Struts
Thick Walled cylinders and Spheres
Torsion
MECHANICS
METALLURGY
OSCILLATIONS
STRUCTURES
THEORY OF MACHINES
THERMODYNAMICS
FINANCE
UNITS
STRINGS
PHYSICS
New Modules
Updated Modules
Engineering
›
Materials
›
Beams
Strain Energy
Strain energy due to bending and deflection; calculated using Calculus.
Macaulay Method
Describes the Macaulay Method for calculating the deflection of Beams.
Moments of Area
The calculation of deflections using Moments of Area
Deflection Coefficients
This section covers deflection coefficients, including deflection due to shear and the use of graphical methods.
Multiple Continuous Beams
The deflection of Continuous Beams with more than one span.
Elastic Foundations
The deflection of beams where the foundations are not rigid.
Portal Frames
Bending Moments for Portal Frames
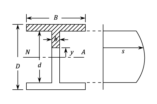
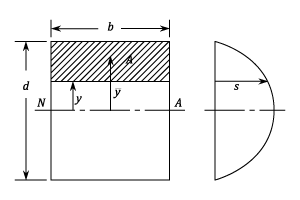
Shear Stress in Beams
An analysis of Shear Stress in Beams of various cross sections.